
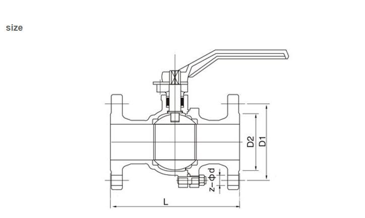
2 colių rutulinis vožtuvas iš nerūdijančio plieno
Tipas: Q41F-16C/Q41F-25C
Individualus palaikymas: OEM, ODM
Medžiaga: Lietas plienas
Darbinis slėgis: PN10/PN16/PN25
Dydis: Pagaminta pagal užsakymą
Tinka: vanduo, garai, aliejus, suskystintos dujos, gamtinės dujos, dujos, azoto rūgštis, acto rūgštis, oksidacinė terpė, karbamidas ir kitos terpės.
Veikimo režimas: rankinis, pavarų dėžė, elektrinis, pneumatinis ir pan.
produkto pristatymas
Prekės savybės
Rutulinio vožtuvo rutulys yra fiksuotas, po to, kai slėgis nesukelia judėjimo.
Fiksuotas rutulinis vožtuvas turi plūduriuojančią sėdynę, esant vidutiniam slėgiui, sėdynės judėjimui, kad sandarinimo žiedas būtų sandariai prispaustas ant rutulio, kad būtų užtikrintas sandarumas.
Paprastai, kai rutulys yra ant viršutinio ir apatinio veleno guolio, veikimo sukimo momentas yra mažas, tinka aukšto slėgio ir didelio kalibro vožtuvams.





Tau taip pat gali patikti
-

DN20 dujotiekio manipuliatoriaus vožtuvo rutulinis val
-

YYQW serijos pramoninio dujinio dyzelinio kuro terminio aliejaus katilas
-

Elektrinio garo generatoriaus kaina
-

DZH biomasės granulių kūrenamas kilnojamasis grotelės karšto vandens pramoninis katilas
-

DZL anglimi kūrenamų grandinių grotelių garų katilų žemo slėgio katilų sistema
-

Cleaver Brooks 500 AG katilas


