Kinija Standartinis Cast Steel Bellows Seal Globe Vožtuvai
Tipas:Gaublio vožtuvai
Pritaikytas palaikymas:OEM, ODM
Medžiaga: Lietas plienas
Darbinis slėgis:PN10/PN16/PN25
Dydis:Pasirinktinai pagaminta
Vožtuvų korpuso medžiagos: WCB, ZG1Cr18Ni9Ti, ZG1Cr18Ni12Mo2Ti, CF8(304), CF3(304L), CF8M(316), CF3M(316L), Ti
Pritaikymas: Įvairių rūšių skysčių, tokių kaip oras, vanduo, garas, korozinės terpės, purvas, alyvos, skysti metalai ir radioaktyviosios terpės, srautas.
produkto pristatymas
KODĖL GAUBLIO VOŽTUVAI?
Gaublio vožtuvai naudojami srauto valdymui. Gaublio vožtuvas turėtų būti pasirinktas, kai norimas rezultatas yra sumažinti vamzdynų sistemos terpės slėgį. Srauto modelis per gaublio vožtuvą apima krypties pokyčius, dėl kurių atsiranda didesnis srauto apribojimas ir didelis slėgio kritimas, kai terpė juda per vožtuvo vidines dalis.
Išjungimas atliekamas perkeliant diską prieš skystį, o ne per jį. Tai sumažina nusidėvėjimą dėl uždarymo. Diskui judant link visiškai uždaryto, skysčio slėgis ribojamas iki norimo slėgio, reikalingo vamzdynų sistemai. Gaublio vožtuvai, skirtingai nuo daugelio kitų vožtuvų dizaino, yra pastatyti veikti ekstremaliomis sąlygomis, kurias sukelia skysčių judėjimas.
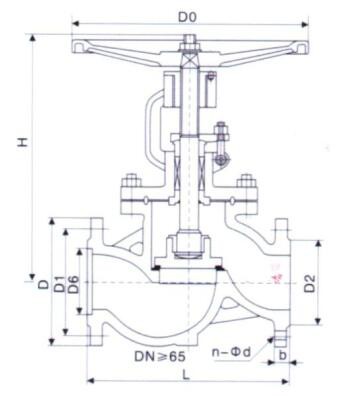
Dydis


Dn | L | D | D1 | D2 ( D2 ) | B | Ar | H | N-ΦZ (N-ΦZ) |
40 | 200 | 150 | 110 | 84 | 18 | 150 | 330 | 4-18 |
50 | 230 | 165 | 125 | 99 | 20 | 150 | 350 | 4-48 |
65 | 290 | 185 | 145 | 118 | 20 | 200 | 400 | 4-18 |
80 | 310 | 200 | 160 | 132 | 20 | 200 | 430 | 8-18 |
100 | 350 | 220 | 180 | 156 | 22 | 250 | 465 | 8-18 |
125 | 400 | 250 | 210 | 184 | 22 | 250 | 505 | 8-18 |
150 | 480 | 285 | 240 | 211 | 24 | 300 | 613 | 8-22 |
200 | 600 | 340 | 295 | 266 | 24 | 420 | 714 | 12-22 |
250 | 730 | 405 | 355 | 319 | 26 | 500 | 810 | 12-26 |
300 | 850 | 460 | 410 | 370 | 28 | 670 | 910 | 12-26 |
Mūsų įmonė

Sertifikatai

Duk
1. Ar galiu gauti nemokamų pavyzdžių?
A: Taip, mes galime suteikti jums nemokamus pavyzdžius, tačiau jums reikia padengti savo pristatymo išlaidas.
2. Ar galiu paprašyti pakeisti pakuotės ir transportavimo formą?
A: Taip, mes galime pakeisti pakuotės ir transportavimo formą pagal Jūsų pageidavimą, tačiau jūs turite padengti savo išlaidas, patirtas per šį laikotarpį ir speds.
3. Ar galiu prašyti iš anksto išsiųsti siuntą?
A: Tai turėtų būti priklauso nuo to, ar mūsų sandėlyje yra pakankamai atsargų.
4. Ar galiu turėti savo logotipą ant produkto?
A: Taip, galite atsiųsti mums savo piešinį ir mes galime padaryti savo logotipą, bet jūs turite padengti savo išlaidas.
5. Ar galite gaminti produktus pagal savo brėžinius?
A: Taip, mes galime gaminti produktus pagal jūsų brėžinius, kurie jus labiausiai patenkins.
6. Kokios jūsų mokėjimo sąlygos?
A: T / T, L / C , Alibaba Prekybos užtikrinimas prieinamas, visiškai apsaugoti savo užsakymus.
7.Do sutinkate su pasirinktiniu dizainu pagal dydį?
A: Taip, jei dydis yra pagrįstas
8.Transportas
Transportuoja DHL, UPS, EMS, Fedex, SF, oro transportu, jūra.
Tau taip pat gali patikti
-

Nešiojami garo generatorius elektrinis katilas
-

Horizontalus biomasės granulių medienos degimo garo generatorius
-

LDR vertikalus elektrinis šildymo garo katilas
-

70 kg nešiojamas mini elektrinis garo katilas
-

Komercinis viešbutis Šildymas Elektrinis vandens katilas Buitinis katilas
-

200 kg elektrinis garo katilo generatorius



